Гринлос Аэро Лайт 8 ПР в Санкт-Петербурге
Цена: от 222 300 руб.
Технические характеристики
Тип сброса:
Принудительный
Кол-во пользователей:
8 человек
Объем переработки:
1.8 м3/сут
Размер Д*Ш*В:
1200*1200*2070 мм
Залповый сброс:
420 л
Вес:
108 кг
Глубина врезки:
60 см
Размер основания:
1200*1200 мм
краны х3
туалеты х3
души/ванны х2
стиральные машины х2
Преимущества над конкурентами
В отличие от конкурентов, в септике Гринлос Аэро Лайт 8 ПР установлен короб с электрооборудованием, который гарантированно не подвержен затоплению.
Септики ГРИНЛОС ГРИНЛОС Аэро Лайт оснащены аэратором, нагнетающим воздух для размножения аэробных бактерий. Вместе с анаэробными бактериями в биозагрузке это позволяет добиться максимальной переработки стоков.
Станции очистки Гринлос Аэро Лайт 8 ПР обладают надежными грунтозацепами, действительно предотвращающими всплытие оборудования на обводненных участках.
В конструкции септиков Гринлос Аэро Лайт 8 ПР предусмотрен отдельный герметичный отсек, не совмещающийся с рабочими камерами. Предотвращает затопление электрооборудования при аварийных ситуациях.
ГРИНЛОС Аэро Лайт представляет собой единый корпус без различия между диаметрами горловины и корпуса.
В сравнении с аналогом из серии Аэро, модель Гринлос Аэро Лайт 8 ПР выступает менее затратной в изготовлении и эксплуатации.
Особенности
Гринлос Аэро Лайт 8 ПР — это модель аэрационной установки биологической переработки с залповым сбросом 420 л и производительностью 1.8 м3/сутки, что делает его подходящим для домов, в которых число жильцов не превышает 8 условных пользователей.
Отличительными особенностями септика Гринлос Аэро Лайт 8 ПР являются:
Тип сброса – принудительный, на что указывает обозначение «Пр» в названии модели. В конструкции предусмотрена отдельная камера с насосом, который откачивает очищенную воду из септика. Процесс полностью автоматизирован и не требует вашего участия. Отведение стоков возможно в канаву или в дренажный колодец.
Высота корпуса Гринлос Аэро Лайт 8 ПР — 2.07 м, а врезка подводящей трубы осуществляется на глубине до 60 см. Станция подходит для монтажа во все виды почв: песок, глина, суглинок, грунты с высоким уровнем грунтовых вод.
Модификации септика Гринлос Аэро Лайт 8 ПР
| Характеристики | Гринлос Аэро Лайт 8 НК | Гринлос Аэро Лайт 8 Пр НК | Гринлос Аэро Лайт 8 НК Миди | Гринлос Аэро Лайт 8 Пр НК Миди | Гринлос Аэро Лайт 8 НК Лонг | Гринлос Аэро Лайт 8 Пр НК Лонг | Гринлос Аэро Лайт 8 ПР Лонг | Гринлос Аэро Лайт 8 Лонг | Гринлос Аэро Лайт 8 Пр Миди | Гринлос Аэро Лайт 8 Миди | Гринлос Аэро Лайт 8 ПР | Гринлос Аэро Лайт 8 |
|---|---|---|---|---|---|---|---|---|---|---|---|---|
| Тип сброса | Самотечный | Принудительный | Самотечный | Принудительный | Самотечный | Принудительный | Принудительный | Самотечный | Принудительный | Самотечный | Принудительный | Самотечный |
| Способ установки | низкий корпус | низкий корпус с насосом | низкий корпус, удлиненная горловина | низкий корпус с насосом, удлиненная горловина | низкий корпус, удлиненная горловина | низкий корпус с насосом, удлиненная горловина | удлиненная с насосом | удлиненная | удлиненная с насосом | удлиненная | стандартная с насосом | стандартная |
| Размер Д*Ш*В, мм | 1700*1200*1070 | 1700*1200*1070 | 1700*1200*1470 | 1700*1200*1470 | 1700*1200*1670 | 1700*1200*1670 | 1200*1200*2670 | 1200*1200*2670 | 1200*1200*2470 | 1200*1200*2470 | 1200*1200*2070 | 1200*1200*2070 |
| Вес, кг | 76 | 81 | 80 | 85 | 83 | 88 | 116 | 111 | 112 | 107 | 108 | 103 |
| Глубина залегания подводящей трубы, см |
30 | 30 | 70 | 70 | 90 | 90 | 120 | 120 | 100 | 100 | 60 | 60 |
| Цена | 226 000 руб. | 232 000 руб. | 236 000 руб. | 244 000 руб. | 247 000 руб. | 254 000 руб. | 250 900 руб. | 239 900 руб. | 227 800 руб. | 219 000 руб. | 222 300 руб. | 213 500 руб. |
Комплект поставки
- Корпус «Гринлос Аэро Лайт 8 ПР » (1 шт.)
- Крышка (1 шт.)
- Компрессор (1 шт.)
- Эрлифт (2 шт.)
- Эрлифт сбора пленок (1 шт.)
- Устройство перемешивания (1 шт.)
- Дренажный насос (1 шт.)
Эксплуатационная документация, в том числе:
- Технический паспорт «Гринлос Аэро Лайт»
- Сертификат соответствия ГОСТ Р ИСО 9001-2015 (ISO 9001:2005)
- Сертификат соответствия системе ГОСТ Р
- Декларация соответствия EAC
Документация
Размеры
Конструкция септика Гринлос Аэро Лайт 8 ПР представляет из себя цилиндр, выполненный из монолитного полипропилена. Внутри цилиндра с помощью перегородок выделены четыре камеры, последовательно сообщающиеся между собой через отверстия и патрубки в перегородках, расположенные на определенной высоте.
Подробнее о размерах станции:
- H1 — Полная высота септика составляет 2.07 м.
- H2 — Высота крышки – 50 мм.
- D1 — Диаметр корпуса – 1.2 м.
- D2 — Диаметр крышки – 1.2 м.
- D3 вх/вых — Диаметры входящей и выходящей труб составляют 110/25 мм.
Возможно изготовление по индивидуальным размерам!
Принцип работы
Станции Биологической Очистки Гринлос Аэро Лайт 8 ПР предназначены для расщепления и переработки основных органических загрязнений, содержащихся в бытовых сточных водах. Эти процессы происходят в результате жизнедеятельности аэробных и анаэробных микроорганизмов, условия для жизнедеятельности которых создает септик.
Станция Гринлос Аэро Лайт 8 ПР сконструирована таким образом, что все камеры, в которых происходит аэрация, разделение и осветление стоков объединены в одном корпусе цилиндрической формы.
- В первом отсеке (аэротенке) происходит аэрация стоков при помощи мелкопузырчатого аэратора. Насыщение воды кислородом воздуха является основой для биологического процесса переработки хозяйственно-бытовых стоков.
- Далее, через расположенное на заданной высоте технологическое отверстие обогащенные кислородом стоки перетекают во второю, анаэробную камеру. Во второй камере также размещено устройство перемешивания, для предотвращения возникновения зон застоя и разбиения поверхностных пленок из твердых жиров.
- Иловый отстойник в септике Гринлос Аэро Лайт 8 ПР служит для сбора омертвевшего ила, оседающего на дно, при этом активный ил из верхнего слоя через специальный перелив возвращается в первую камеру, сразу вступая во взаимодействие с поступающими стоками.
- По мере заполнения отстойника омертвевшим илом и минеральным осадком необходимо откачать его дренажным насосом. Периодичность откачки илового отстойника определяется пользователем в процессе эксплуатации изделия, но не реже одного раза в год.
- Далее, после многочисленных циклов переработки, чистая техническая вода, через специальный перелив – успокоитель попадает в камеру чистой воды, откуда, в зависимости от модели (самотечная или принудительная) выводится наружу (на грунт, в дренажную или ливневую канаву и т.д.). Неразложившиеся остатки ила, осевшие на дне, эрлифтом подается в иловый отстойник. При принудительном варианте отвода стоков дренажный насос располагается выше уровня забора стоков эрлифтом.
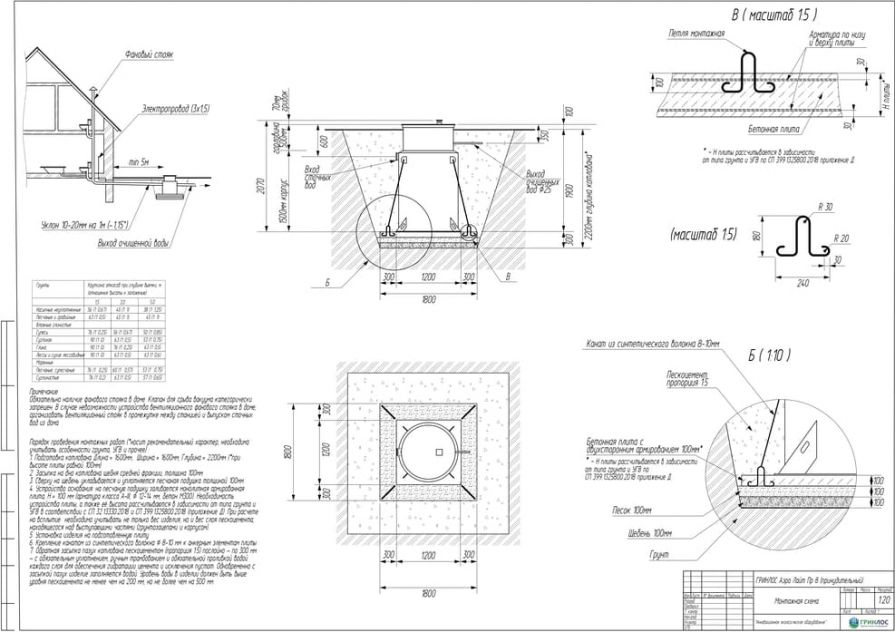
Монтаж септика Гринлос Аэро Лайт 8 ПР
-
Выбор местоположения
Гринлос Аэро Лайт 8 ПР следует рассматривать в качестве составной части системы водоотведения. Станция может быть рассчитана на обслуживание одного или нескольких индивидуальных жилых домов. В ходе проектирования системы водоотведения следует принимать во внимание несколько ключевых особенностей территории, на которой запланирована установка оборудования.
К таковым относят:
- состав почвы;
- уровень прохождения грунтовых вод и его возможные колебания
- специфику рельефа местности;
- удаленность от различных водозаборных сооружений;
- погодно-климатические особенности данного региона.
Перед непосредственным монтажом Гринлос Аэро Лайт 8 ПР специалисты осуществляют подготовку котлована. Его размеры определяются конструктивными особенностями выбранной модели оборудования. Ознакомиться с данными параметрами можно в приложении к ПС.
-
Монтаж и установка
Целесообразно доверить выбор и монтаж септика Гринлос Аэро Лайт 8 ПР специализированной компании. Перед непосредственным монтажом станции специалисты осуществляют подготовку котлована. Его размеры определяются конструктивными особенностями выбранной модели изделия. Ознакомиться с данными параметрами можно в приложении к ПС. По боковым стенкам корпуса должно быть сохранено свободное расстояние до грунта не менее 250 мм. Дно котлована нуждается в более тщательной подготовке. Его подвергают выравниванию с последующей засыпкой слоем песка, обладающим толщиной в пределах 10-15 см. Пазухи котлована подвергают обратной засыпке при помощи песка, который послойно поливают водой. Прежде чем приступить к аналогичным работам, станцию на четверть заполняют водой. Впоследствии количество воды внутри септика увеличивают соразмерно уровню засыпки песком наружных стенок. Каждые 200 мм песка подвергаются ручному уплотнению.
Поверх корпуса Гринлос Аэро Лайт 8 ПР выполняется песчаная обсыпка на высоту 150-300 мм. Для подсоединения оборудования к внутренней канализационной магистрали применяют канализационные трубы, предназначенные для эксплуатации.
Уклон труб при создании трубопроводной сети должен неизменно составлять 2,5-3 см на каждый метр расстояния.
Недопустимо:
- заглубление в грунт на глубину свыше одного метра от верхнего края корпуса септика, если отсчет осуществляется от нулевой отметки грунта;
- применение строительной техники в процессе обратной засыпки оборудования;
- использование строительной техники для организации уплотнения грунта;
- использование колющих предметов, которые могут спровоцировать механическое повреждение станции;
- передвигаться на транспорте в непосредственной близости от места проведения работ по установке оборудования.
Схемы монтажа:
Похожие товары
Фотогалерея выполненных монтажей
Остались вопросы? Свяжитесь с нами!
Мы всегда готовы бесплатно проконсультировать по вопросам, связанным с продукцией Гринлос, а также помочь с выбором оптимальной модели септика для решения ваших задач.
